DEHN Abgrenzeinheit DASD 45 LP 100 T
Art.Nr.: 832717
Kurzfristig lieferbar Lieferzeit: 7-14 Arbeitstage
Abgrenzeinheit DASD 45 LP 100 T
Hersteller: DEHN
Hersteller-Art.Nr.: 923402
EAN: 4013364442269
Ursprung: Deutschland
Zolltarif: 85363030
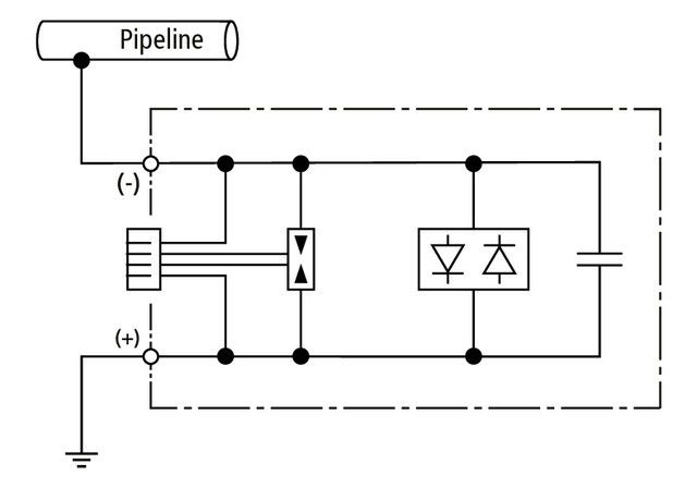
Kapazitive Abgrenzeinheit zum Einsatz in elektrischen Systemen mit einem hohen Ausbreitungs- und Vernetzungsgrad, die durch Fremdspannungen von unterschiedlichen Störquellen (z.B. Hochspannungssysteme, Bahnstromversorgungssysteme, Niederspannungssysteme, Blitzbeeinflussung) beeinflusst werden.
| Merkmale: | |
| Ableitstrom transient (10/350 µs) | 75 kA |
| Ableitstrom transient (8/20 µs) | 100 kA |
DEHN SE
Hans-Dehn-Str.1
92318 Neumarkt i.d.OPf.
Land: DE
E-Mail: info@dehn.de
www.dehn.de


























