DOEPKE Differenzstrommonitor DCTRB-XHz070-PoE
Art.Nr.: 831613
Kurzfristig lieferbar Lieferzeit: 7-14 Arbeitstage
Differenzstrommonitor DCTRB-XHz070-PoE
Hersteller: DOEPKE
Hersteller-Art.Nr.: 09344947
EAN: 4014712249998
Ursprung: Deutschland
Zolltarif: 90303370
Smarte, allstromsensitive Differenzstrommonitore (Typ B) erfassen zuverlässig Fehler- sowie Differenzströme und melden diese, ohne die Anlage abzuschalten. Die Ethernet-Schnittstelle überträgt die gemessenen Differenzstromwerte per Modbus-TCP-Protokoll. Die smarten Differenzstrommonitore sind unabhängig vom gewählten e.Guard-Level fester Bestandteil des e.Guard-Systems. Eigenschaften: geeignet zur Erfassung von Fehlerströmen des Typs B
überwachter Frequenzbereich 0 Hz 100 kHz
überwachter Stromkreis max. 690 V (AC) / 1000 V (DC), 400 A
robustes Kunststoffgehäuse
einfache Montage
Konfiguration diverser Einstellungen und Ausgabe der Differenzstromwerte über Ethernet
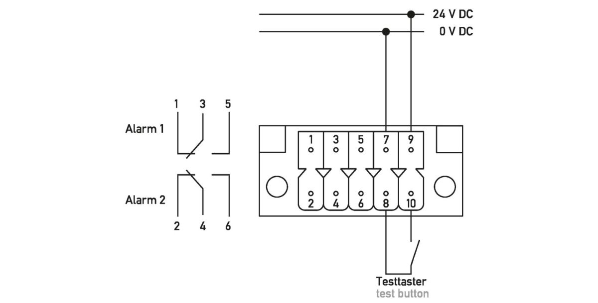
2 konfigurierbare Alarmrelais mit potenzialfreien Wechslerkontakten
Betriebsspannung per PoE (Power over Ethernet) oder 24 V DC- Direktanschluss
: Die Befestigung erfolgt auf tragfähigen Untergründen bzw. einer Montageplatte mittels der vorhandenen Anschraubpunkte
Einsatzgebiete: Das Überwachungsgerät eignet sich für den Einsatz in Stromversorgungen von Zweckbauten und Industrieanlagen mit TN-S-, TN-C-S-Netzen, IT-Netzen und Gleichstromnetzen, z. B. in Serverräumen von Rechenzentren, in Laboratorien, in der Automobilindustrie und in Zusammenhang mit PV- und USV-Anlagen mit trafolosen Wechselrichtern, Klimaanlagen, Frequenzumrichtern, Schaltnetzteilen, Hochfrequenzstromrichtern, Druckereimaschinen und Verpackungsmaschinen
Geeignet für die Überwachung von DC-Stromkreisen und Anlagen. in denen elektronische Betriebsmittel glatte Gleichfehlerströme oder Fehlerströme mit Frequenzen ungleich 50 Hz verursachen können
Hinweise: Die individuelle Konfiguration erfolgt über die e.Guard-Software. Weitere Informationen finden Sie auf www.eguard.de. Namensänderung: aus DCTR B-X Hz 035 PoE und DCTR B-X Hz 070 PoE werden e.Guard RCM B 035 und e.Guard RCM B 070. Die Produkte sind ab sofort unter ihrer bekannten Artikelnummer oder dem neuen Namen zu finden.
| Merkmale: | |
| Elektrische Ausführung des integrierten Wandlers | Differenzstromwandler |
| Mechanische Ausführung des integrierten Wandlers | Durchsteckstromwandler |
| Öffnungsdurchmesser | 70 mm |
| Schnappbefestigung | nein |
| Bemessungsstrom des überwachten Stromkreises | 400 A |
| Bemessungsspannung des überwachten Stromkreises | 690 V |
| Bemessungsfrequenz des überwachten Stromkreises fn | 0..400 Hz |
| Bemessungsisolationsspannung Ui | 1000 V |
| Bemessungsstoßspannungsfestigkeit Uimp | 8 kV |
| Überspannungskategorie | III |
| Funktion | für Wechselstromnetze |
| Frequenzselektive Erfassung | nein |
| Anzahl der Frequenzbereiche | 8 |
| Ansprechdifferenzstrom Idn DC | 3 A |
| Ansprechdifferenzstrom Idn AC | 30 A |
| Frequenzbereich Ansprechdifferenzstrom fidn Typ A | 0..100000 Hz |
| Frequenzbereich Ansprechdifferenzstrom fidn Typ AC | 0..100000 Hz |
| Frequenzbereich Ansprechdifferenzstrom fidn Typ B | 0..100000 Hz |
| Betriebsart | Standalone |
| Betriebsspannung | 24 V |
| Schnittstelle Ethernet | ja |
| Power over Ethernet (PoE) | 802.3 af (PoE) |
| Kommunikationsprotokoll | Modbus |
| Schnittstelle 4-20 mA | nein |
| Anzahl der Kontakte als Wechsler | 1 |
| Ausführung des elektrischen Anschlusses | Steckanschluss |
| Verschmutzungsgrad | 2 |
| Schutzart (IP) | IP20 |
| Breite | 134 mm |
| Höhe | 143 mm |
| Tiefe | 104 mm |
Doepke Schaltgeräte GmbH
Stellmacher Str. 11
26506 Norden
Land: DE
E-Mail: info@doepke.de
www.doepke.de


























