MAICO Axial-Rohrventilator DAR 125/6 11
Art.Nr.: 1098368
Kurzfristig lieferbar Lieferzeit: 7-14 Arbeitstage
Axial-Rohrventilator DAR 125/6 11
Hersteller: MAICO
Hersteller-Art.Nr.: 0073.0188
EAN: 4012799731887
Ursprung: Italien
Zolltarif: 84145925
Merkmale
- Axial-Rohrventilator für Gewerbe und Industrielüftung.
- Leistungsstarker Ventilator für große Fördervolumen.
- Zur einfachen und direkten Montage in einem Rohrsystem.
- Einbau in jeder Lage möglich.
- Gehäuse aus Stahlblech mit Epoxidbeschichtung.
- Geeignet für Temperaturbereiche von -10 °C bis +50 °C.
- Axiallaufrad mit Flügeln aus glasfaserverstärktem, antistatischem Polyamid.
Motor
- Dreiphasen Drehstrommotor.
- Schutzart IP 55.
- IE3 Motor.
- Betriebsart S1 (Dauerbetrieb).
- Die Temperatur im Ventilatormotor wird durch Kaltleiter überwacht. Die Kaltleiter müssen an ein Auslösesystem angeschlossen werden, das den Ventilator bei zu hohen Temperaturen dauerhaft vom Netz trennt.
- Drehzahlsteuerbar mit Frequenzumrichter.
- Zulässiger Frequenzbereich bei Drehzahlregelung mit Frequenzumrichter 20-50 Hz.
Elektrischer Anschluss
- Außenliegender Klemmkasten am Gehäuse.
Sicherheitshinweise
- Der Ventilator darf nur betrieben werden, wenn der Berührungsschutz für das Laufrad nach DIN EN ISO 13857 gewährleistet ist.
Artikel:
DAR 125/6 11
- Fördervolumen: 78840 m3/h
- Drehzahl: 960 1/min
- Laufradtyp: axial
- Drehzahlsteuerbar: ja
- Reversierbarkeit: nein
- Spannungsart: Drehstrom
- Bemessungsspannung: 400 V
- Netzfrequenz: 50 Hz
- Nennleistung: 11000 W
- INenn: 22,87 A
- Schutzart: IP 55
- Wärmeklasse: F
- Polumschaltbar: nein
- Einbauort: Rohr
- Einbaulage: horizontal
- Material Gehäuse: Stahlblech mit Epoxidbeschichtung
- Material Flügelrad: Polyamid
- Farbe: grau
- Gewicht: 270 kg
- Gewicht mit Verpackung: 295 kg
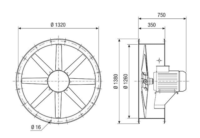
- Nennweite: 1250 mm
- Breite: 1380 mm
- Höhe: 750 mm
- Tiefe: 1380 mm
- Breite mit Verpackung: 1500 mm
- Höhe mit Verpackung: 1150 mm
- Tiefe mit Verpackung: 1620 mm
- Fördermitteltemperatur bei IMax: -10 °C bis 50 °C
- PTC DIN 44082: M 100
- Gesamteffizienz e: 42 %
- Messkategorie: C
- Effizienzkategorie: statisch
- Effizienzgrad N: 42,2
- VSD erforderlich: nein
- Herstellungsjahr: siehe Typenschild
- Herstellername / Amtliche Registriernummer / Niederlassungsort des Herstellers: Maico Elektroapparate-Fabrik GmbH / Registergericht Freiburg, HRB 601233 / Villingen-Schwenningen
- PBEP / FördervolumenBEP / Pfs, BEP: 9,425 kW / 51480 m3/h / 277 Pa
- nBEP: 970 1/min
- spezifisches Verhältnis: ca. 1
- Informationen zur Zerlegung und Entsorgung: siehe Montageanleitung
- Informationen zu Einbau, Betrieb und Instandhaltung: siehe Montageanleitung
- Verwendete Gegenstände bei der Effizienz-Messung, die nicht durch die Messkategorie beschrieben sind: -
- IBEP: 22,87 A
- SchallleistungspegelLWA7: 98 dB(A)
| Merkmale: | |
| Werkstoff des Gehäuses | rostfreier Stahl |
| Luftmenge unbelastet | 78840 m³/h |
| Anschlussspannung | 400 V |
| Leistungsaufnahme | 11 kW |
| Mit thermischem Schutz | nein |
| Gleichstrommotor | nein |
| Indirekter Antrieb | nein |
| Elektrischer Anschluss | Anschlussklemmen |
| Schutzart (IP) | IP55 |
| Max. Lufttemperatur | 50 °C |
| Motor mit 2 Drehzahlen | nein |
| Geeignet für elektronische Steuerung | nein |
| Geeignet für Frequenzregelung | nein |
| Geeignet für Schwachstromregelung | nein |
| Geeignet für Traforegelung | ja |
| Polumschaltbar | nein |
| Länge | 760 mm |
| Durchmesser des Gehäuses | 1380 mm |
| Kanaldurchmesser | 1250 mm |
| Anschluss | Flansch |
Maico Elektroapparate -
Fabrik GmbH
Steinbeisstr. 20
78056 Villingen - Schwenningen
Land: DE
E-Mail: info@maico.de
www.maico-ventilatoren.com



























