MAICO Radial-Dachventilator ERD V 40/4 Ex
Art.Nr.: 1098507
Kurzfristig lieferbar Lieferzeit: 7-14 Arbeitstage
Radial-Dachventilator ERD V 40/4 Ex
Hersteller: MAICO
Hersteller-Art.Nr.: 0073.0547
EAN: 4012799735472
Ursprung: Italien
Zolltarif: 84145935
Merkmale
- Radial-Dachventilator für Anwendungen in explosionsgefährdeten Bereichen.
- Explosionsschutz und Zulassungen nach ATEX.
- Für alle Gase und Dämpfe der Ex-Gruppe IIA und IIB und zusätzlich für Wasserstoff qualifiziert.
- Ex II 2 G Ex db IIB+H2 T4 Gb X / Ex II 2 G Ex h IIB+H2 T4 Gb X.
- Für Einsatztemperaturen von -20 °C <= Ta <= +40 °C.
- MAICO Ex-Ventilatoren erfüllen die Sicherheitsanforderungen der Europäischen Richtlinie RL 2014/34/EU für Geräte und Schutzsysteme in explosionsgefährdeten Bereichen.
- Für Zone 1 und Zone 2
- Zündschutzarten: d - druckfeste Kapselung und c - konstruktive Sicherheit.
- Vertikal ausblasend.
- Geringer Geräuschpegel.
- Gehäuse aus verzinktem Stahlblech.
- Wetterschutzhaube aus Kunststoff.
- Motor außerhalb des Luftstroms.
- Stabile Transportösen ermöglichen einen Transport per Kran.
Wechselstrommotor
- Einphasen Wechselstrommotor.
- Schutzart IP 55.
- IE3 Motor.
- Betriebsart S1 (Dauerbetrieb).
- Temperaturklasse T4.
- Die Temperatur im Ventilatormotor wird durch Kaltleiter überwacht. Die Kaltleiter müssen an ein Auslösesystem (Sicherheitseinrichtung gemäß Richtlinie RL 2014/34/EU) angeschlossen werden, das den Ventilator bei zu hohen Temperaturen dauerhaft vom Netz trennt.
Elektrischer Anschluss
- Im Klemmenkasten am Motor.
- Kabelverschraubung in Ex d -Ausführung im Lieferumfang enthalten.
Artikel:
ERD V 40/4 Ex
- Fördervolumen: 5418 m3/h
- Drehzahl: 1460 1/min
- Laufradtyp: radial
- Drehzahlsteuerbar: nein
- Reversierbarkeit: nein
- Spannungsart: Wechselstrom
- Bemessungsspannung: 230 V
- Netzfrequenz: 50 Hz
- Nennleistung: 550 W
- INenn: 4,5 A
- Schutzart: IP 55
- Wärmeklasse: F
- Polumschaltbar: nein
- Einbauort: Dach
- Einbaulage: senkrecht
- Material: Stahlblech, verzinkt
- Material Gehäuse: Stahlblech, verzinkt
- Farbe: grau
- Gewicht: 45 kg
- Gewicht mit Verpackung: 57 kg
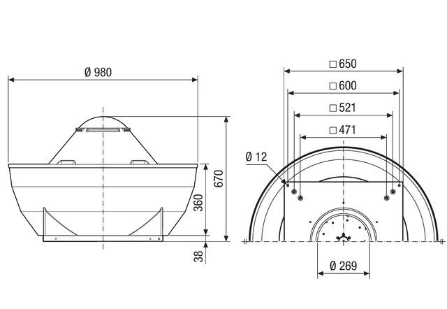
- Baugröße: 400 mm
- Breite: 980 mm
- Höhe: 670 mm
- Tiefe: 980 mm
- Breite mit Verpackung: 1020 mm
- Höhe mit Verpackung: 715 mm
- Tiefe mit Verpackung: 1020 mm
- EX-Bezeichnung nach ATEX-Richtlinie: Ex II 2 G
- EX-Bezeichnung nach Norm: Ex db IIB+H2 T4 Gb X / Ex h IIB+H2 T4 Gb X
- Ta-Umgebungstemperatur: -20 °C <= Ta <= +40 °C
- Betriebsart: S1
- PTC DIN 44082: M 100
- Temperaturklasse: T4
| Merkmale: | |
| Nennspannung | 230 V |
| Frequenz | 50 Hz |
| Leistungsaufnahme | 0,55 kW |
| Werkstoff des Gehäuses | Stahl |
| Luftmenge unbelastet | 5418 m³/h |
| Mediumtemperatur | -20..40 °C |
| Schutzart (IP) | IP55 |
| Kanalbreite | 980 mm |
| Kanalhöhe | 670 mm |
| Nenndurchmesser Kanal | 269 mm |
| Einbauort | Flachdach |
| Für Ex-Zone Gas | 1, 2 |
| Für Ex-Zone Staub | ohne |
| Gerätegruppe nach Richtlinie 94/9/EG | II |
| Explosionsschutz-Kategorie für Gas | ATEX Gas-Ex-Schutz, Kat. 2G |
| Explosionsschutz-Kategorie für Staub | ohne |
| Temperaturklasse nach Richtlinie 94/9/EG | T4 |
Maico Elektroapparate -
Fabrik GmbH
Steinbeisstr. 20
78056 Villingen - Schwenningen
Land: DE
E-Mail: info@maico.de
www.maico-ventilatoren.com



























