MAICO Radialgebläse GRM HD 45/4 Ex
Art.Nr.: 1098624
Kurzfristig lieferbar Lieferzeit: 7-14 Arbeitstage
Radialgebläse GRM HD 45/4 Ex
Hersteller: MAICO
Hersteller-Art.Nr.: 0073.0417
EAN: 4012799734178
Ursprung: Italien
Zolltarif: 84145935
Merkmale
- Radialgebläse aus Stahlblech mit Epoxidbeschichtung für Anwendungen in explosionsgefährdeten Bereichen.
- Explosionsschutz und Zulassungen nach ATEX.
- Für alle Gase und Dämpfe der Ex-Gruppe IIA und IIB und zusätzlich für Wasserstoff qualifiziert.
- Ex II 2 G Ex db IIB+H2 T4 Gb X / Ex II 2 G Ex h IIB+H2 T4 Gb X.
- Für Einsatztemperaturen von -20 °C <= Ta <= +40 °C.
- MAICO Ex-Ventilatoren erfüllen die Sicherheitsanforderungen der Europäischen Richtlinie RL 2014/34/EU für Geräte und Schutzsysteme in explosionsgefährdeten Bereichen.
- Für Zone 1 und 2.
- Zündschutzarten: d - druckfeste Kapselung und c - konstruktive Sicherheit.
- Druckstarker Ventilator für industrielle Anwendungen.
- Zur einfachen und direkten Montage an einem Rohrsystem.
- Der Motor befindet sich außerhalb des Luftstroms.
- Standardausrichtung für Gehäuse LG 270°.
- Der Motorsockel aus epoxidbeschichtetem Stahlblech, zur Befestigung des Ventilators, ist im Lieferumfang enthalten.
- Radiallaufräder mit vorwärtsgekrümmten Schaufeln aus verzinktem Stahlblech.
Motor
- Dreiphasen Drehstrommotor.
- Schutzart IP 55.
- IE3 Motor.
- Betriebsart S1 (Dauerbetrieb).
- Temperaturklasse T4.
- Drehzahlsteuerbar mit Frequenzumrichter.
- Zulässiger Frequenzbereich bei Drehzahlsteuerung mit Frequenzumrichter sind 20 Hz bis 50 Hz.
- Die Temperatur im Ventilatormotor wird durch Kaltleiter überwacht. Die Kaltleiter müssen an ein Auslösesystem (Sicherheitseinrichtung gemäß Richtlinie RL 2014/34/EU) angeschlossen werden, das den Ventilator bei zu hohen Temperaturen dauerhaft vom Netz trennt.
Elektrischer Anschluss
- Anschluss im Klemmenkasten am Motor.
- Kabelverschraubung in Ex d-Ausführung im Lieferumfang enthalten.
Artikel:
GRM HD 45/4 Ex
- Fördervolumen: 18412 m3/h
- Drehzahl: 1460 1/min
- Laufradtyp: radial
- Drehzahlsteuerbar: ja
- Reversierbarkeit: nein
- Spannungsart: Drehstrom
- Bemessungsspannung: 400 V
- Netzfrequenz: 50 Hz
- Nennleistung: 9000 W
- INenn: 17,5 A
- Schutzart: IP 55
- Wärmeklasse: F
- Polumschaltbar: nein
- Einbauort: Rohranschluss
- Einbaulage: horizontal
- Material: Stahlblech, verzinkt
- Material Gehäuse: Stahl, beschichtet
- Farbe: grau
- Gewicht: 146 kg
- Gewicht mit Verpackung: 169 kg
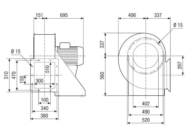
- Baugröße: 450 mm
- Breite: 740 mm
- Höhe: 897 mm
- Tiefe: 743 mm
- Breite mit Verpackung: 800 mm
- Höhe mit Verpackung: 1200 mm
- Tiefe mit Verpackung: 1050 mm
- EX-Bezeichnung nach ATEX-Richtlinie: Ex II 2 G
- EX-Bezeichnung nach Norm: Ex db IIB+H2 T4 Gb X / Ex h IIB+H2 T4 Gb X
- Ta-Umgebungstemperatur: -20 °C <= Ta <= +40 °C
- Betriebsart: S1
- PTC DIN 44082: M 100
- Temperaturklasse: T4
| Merkmale: | |
| Nennspannung | 400 V |
| Frequenz | 50 Hz |
| Leistungsaufnahme | 9 kW |
| Werkstoff des Gehäuses | Stahl |
| Luftmenge unbelastet | 18412 m³/h |
| Mediumtemperatur | -20..40 °C |
| Schutzart (IP) | IP55 |
| Nenndurchmesser Kanal | 450 mm |
| Einbauort | Rohr |
| Für Ex-Zone Gas | 1, 2 |
| Für Ex-Zone Staub | ohne |
| Gerätegruppe nach Richtlinie 94/9/EG | II |
| Explosionsschutz-Kategorie für Gas | ATEX Gas-Ex-Schutz, Kat. 2G |
| Explosionsschutz-Kategorie für Staub | ohne |
| Temperaturklasse nach Richtlinie 94/9/EG | T4 |
Maico Elektroapparate -
Fabrik GmbH
Steinbeisstr. 20
78056 Villingen - Schwenningen
Land: DE
E-Mail: info@maico.de
www.maico-ventilatoren.com



























