PHOENIX CONTACT Überspannungsschutzgerät 1077106
Art.Nr.: 913316
Kurzfristig lieferbar Lieferzeit: 7-14 Arbeitstage
Überspannungsschutzgerät 1077106
Hersteller: PHOENIX CONTACT
Hersteller-Art.Nr.: 1077106
EAN: 4055626788616
Ursprung: Deutschland
Zolltarif: 85363010
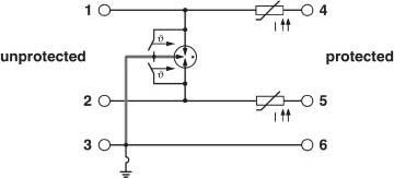
Überspannungsschutz für analoge und digitale Telekommunikationsschnittstellen (VDSL bis zu 300 MBit/s, G.fast bis zu 1,5 GBit/s). Integrierter Überlastschutz (Power-cross).
| Merkmale: | |
| Höchste Dauerspannung DC | 60 V |
| Nennableitstoßstrom (8/20) | 5 kA |
| Nennlaststrom | 0,2 A |
| Schutzpegel Ader/Ader | 650 V |
| Schutzpegel Ader/Erde | 600 V |
| Montageart | sonstige |
| Anschluss 1 | Klemme |
| Mit Fernmeldekontakt | nein |
| Signalisierung am Gerät | ohne |
| Explosionsgeprüfte Ausführung | nein |
PHOENIX CONTACT
Deutschland GmbH
Flachsmarktstr. 8
32825 Blomberg
Land: DE
E-Mail: cpm@phoenixcontact.de
www.phoenixcontact.de

























