WAGO Relaismodul 859-397
Art.Nr.: 1302451
Inhalt: 10 Stk.
Kurzfristig lieferbar Lieferzeit: 7-14 Arbeitstage
Relaismodul 859-397
Hersteller: WAGO
Hersteller-Art.Nr.: 859-397
EAN: 4055143604468
Ursprung: Deutschland
Zolltarif: 85364900
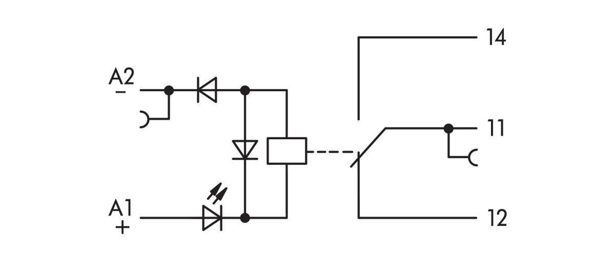
Relaismodul
Eingangsnennspannung DC 48 V
1 Wechsler
Bahn
Statusanzeige rot
6 mm Baubreite
| Merkmale: | |
| Ausführung des elektrischen Anschlusses | Federzuganschluss |
| Komplettgerät mit Sockel | ja |
| Mit abnehmbaren Klemmen | nein |
| Mit LED-Anzeige | ja |
| Bemessungssteuerspeisespannung Us bei DC | 48 V |
| Spannungsart zur Betätigung | DC |
| Antrieb, Polung | gepolt |
| Schaltverhalten des Antriebs | monostabil |
| Anzahl der Kontakte als Wechsler | 1 |
| Art des Schaltkontaktes | Einfachkontakt |
| Mit zwangsgeführten Kontakten | nein |
| Werkstoff des Kontaktes | sonstige Nicht-Kupferlegierungen |
| Werkstoff der Kontaktbeschichtung | Zinn |
| Nennstrom | 5 A |
| Schutzart (IP) | IP20 |
| Breite | 6 mm |
| Höhe | 91 mm |
| Tiefe | 91 mm |
WAGO GmbH & Co. KG
Hansastr. 27
32423 Minden
Land: DE
E-Mail: info@wago.com
www.wago.com
























